地址:江蘇省準安市淮陰工業園區錢江東路19號
聯系人:田先生
手機:13905236011
電子郵件:nora@sjhydraulic.com
CBMW系列復合齒輪泵包含一個單極齒輪泵和一個穩定流量分流閥,為液壓系統提供一條主回路和一條穩定的油路,也達到國際先進水平。具有:高壓,容積效率高,使用壽命長,具有過載保護功能,可廣泛應用于各種液壓系統。
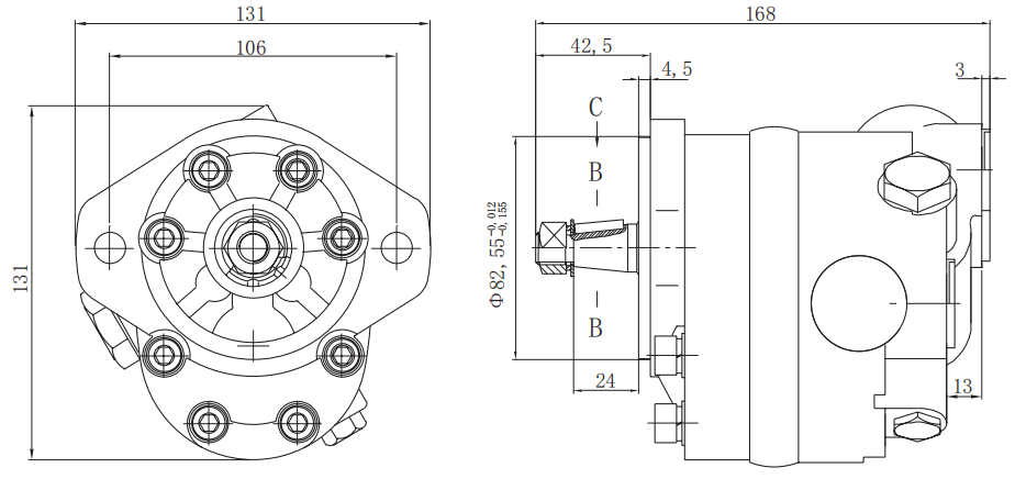
模型CBMW尺寸數據

參數
|
|
CBMW-F11 |
煤層氣-F13.5 |
CBMW-F16 |
CBMW-F18 |
|
|
位移 |
毫升/升 |
11 |
13.5 |
16 |
18 |
|
額定壓力 |
兆帕 |
18 |
|||
|
較大壓力 |
兆帕 |
22.5 |
|||
|
調節范圍 |
兆帕 |
10-20 |
|||
|
額定轉速 |
轉/分鐘 |
2000 |
|||
|
速度范圍 |
轉/分鐘 |
1000-2500 |
|||
|
恒定流量 |
升/分鐘 |
5 |
7 |
9 |
12 |


