地址:江蘇省準安市淮陰工業園區錢江東路19號
聯系人:田先生
手機:13905236011
電子郵件:nora@sjhydraulic.com產品描述
HS4系列分片式多路閥引進了歐洲先進技術,具有機構緊湊、耐高壓,使用壽命長,能做1-14連,同時有中位開啟和中位閉合兩種液壓系統。HS4每一片閥體都可以根據客戶要求增加溢流閥,補油閥等。控制方式有手動、氣動、電液控和軟軸遙控等多種不同的控制方式,以滿足客戶不同的操控需求。該閥廣泛應用于工程機械、環衛機械、礦山機械和其他機械的液壓系統。
型號說明

技術參數

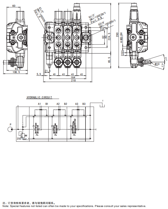
外形安裝連接尺寸

SD8

SD8-2OU


SD8-3OU
SD8-6
SD8-7
SD8-8
SD8-8-04
SD8S四路一控二-08



SD8二聯-噴黑漆
SD8三聯